Rodeo Drive STOP WAH PLUS ギターエフェクター Rodeo Drive STOP WAH PLUS ギターエフェクター
(3700件)
Pontaパス特典
サンキュー配送
6675円(税込)
67ポイント(1%)
Pontaパス会員ならさらに+1%ポイント還元!
送料
(
)
3682
配送情報
お届け予定日:2026.04.14 7:43までにお届け
※一部地域・離島につきましては、表示のお届け予定日期間内にお届けできない場合があります。
ロットナンバー
14405249522
お買い物の前にチェック!
Pontaパス会員なら
ポイント+1%
ポイント+1%
商品説明







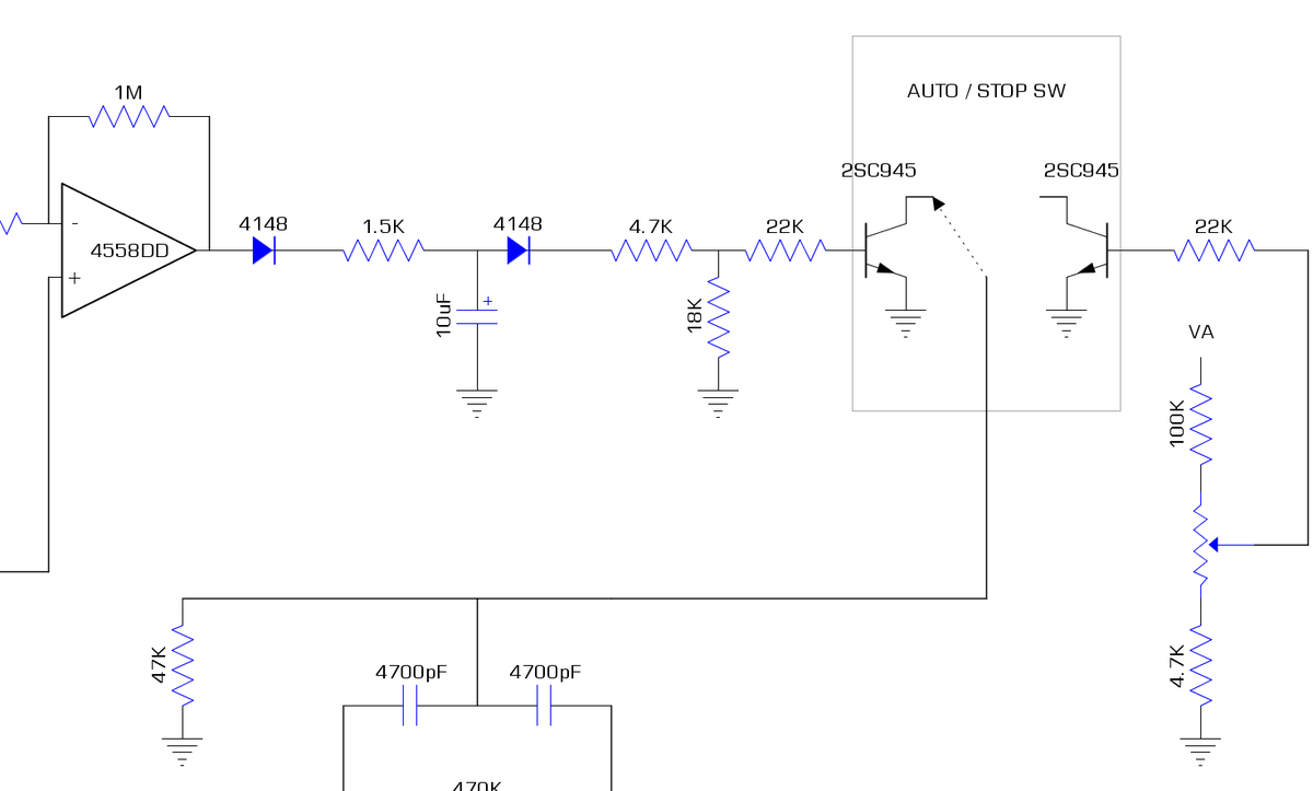
オートワウと半どめのワウがフットスイッチで選べるヴィンテージスタイルのワウペダルです。個性的な音がする使えるエフェクターです。箱に子供が描いた落書きがあります。動作確認致しました。説明書付きです。定価18000円と記載があります。- モデル名: STOP WAH PLUS- 製造元: Rodeo Drive Electronics- コントロールノブ: SENSE, CURVE, STOP- スイッチ: ON/OFF, AUTO/ON- デザイン: ヴィンテージスタイルご覧いただきありがとうございます。
| カテゴリー: | ホビー・楽器・アート>>>ギター>>>ギターエフェクター |
|---|---|
| 商品の状態: | 目立った傷や汚れなし","細かな使用感・傷・汚れはあるが、目立たない |
| ブランド: | BOSS |
| 配送料の負担: | 送料込み(出品者負担) |
| 配送の方法: | 佐川急便/日本郵便 |
| 発送元の地域: | 大阪府 |
| 発送までの日数: | 1~2日で発送 |
レビュー
商品の評価:




4.4点(3700件)
- ハピーハピー
- 3歳のお誕生日にとサンタさんに成り代わって注文しました。絃の一部がサビ?が付いていましたが、私は他のかたのレビューで見ていたので、ぞうきんで拭いて気になりませんでした。ショルダーストラップは楽器店で500円の普通のを買って付けました。本人は。。。欲しがってた割りにたまにしか弾きませんが、ギターがあることで満足したようです。
- ラッキーラヴ
- 現在日本に一時帰国中で手元に自分のギターがなく、無性に弾きたくなって購入しました。 音も造りもしっかりできているし、サイズも00なので女性にもピッタリです。
- サン08946591
- 将来、ギターをやらせたい娘の誕生日プレゼントを探していたところ、こちらのショップでかわいさに一目ぼれで購入しました。 チューニングが全然合いません。 やり方が載っていたので参考にしましたが、合わせている最中に狂ってしまい、難しいです。 本格的にひくには無理な感じですが、飾りとしてはいいので★★★で・・・。
- furano1231
- 可愛かったです。 説明書がついてると良かったです。 お誕生日プレゼントに購入しました。
- まろまゆはな
- とりあえず必要なものが揃っていてこの値段ですから文句ありません。チューナーと言うものに初めて出会いこんなに簡単にチューニングできるのかと驚きでした。 音叉なんて使っている時代じゃないのですね。 音はとても良い音がします。大人の手ではコードを押さえようとすると小さくて指の幅が余ってしまいますが、楽しく弄り回すにはもってこいです。多少の音程の狂いは使い方次第だと思います。
すべて見る
お店の情報
7,367
連絡・応対
4.3
配送スピード
4.3
梱包
4.3










